역극성 보호회로란?
기기를 제작할 때, 입력 +와 -를 반대로 연결하면 고장나는 회로들이 존재한다.
대표적으로 저가형 레귤레이터가 해당되며 아두이노의 5V에 -를 GND에 +를 인가하면 레귤레이터가 타면서 소손된다.
이를 방지하기 위해서는 역극성 보호회로를 기기 입력단에 넣을 필요가 있다.
역극성을 보호하기 위한 회로는 크게 3가지가 있다.
첫번째로 다이오드를 이용하는 방법. 이 방법이 제일 간단하다.
두번째로 모스펫을 이용하는 방법.
세번째로 1회성 퓨즈를 사용하는 방법.
역극성 보호회로 첫번째 - 다이오드

다이오드의 특성을 생각해 보자. 이상적인 다이오드는 애노드에서 캐소드로 전류가 흐르고 그 반대는 차단한다.
아주 간단한 회로 구성이 가능하며 정밀한 전압제어가 필요없는 곳에서 주로 사용된다.
단점도 물론 존재한다. 다이오드는 순방향 전압강하(Vf≈0.7V)가 발생하므로 정밀한 전압맞추기가 힘들며 전압강하*전류량만큼의 발열도 발생하여 대전류를 흘릴경우 별도의 방열판이 필요하다.
큰 전류를 사용하지 않으면 순방향 전압강하가 작은 쇼트키 다이오드를 사용하자.
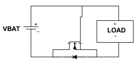
역극성 보호회로 두번째 - 모스펫


첫번째 방법인 다이오드를 이용한 방법의 최대 단점은 전압강하가 발생한다는 것이다. 이를 개선한 방법이 모스펫을 이용한 방법이다. 모스펫은 턴온시 드레인-소스 저항값인 Rds_on이 매우 작아(50mΩ 이하) 1A의 전류에도 50mV정도의 전압강하만이 발생한다.
P채널 모스펫은 특성상 High-side에 위치하며 위 회로를 실제로 사용하기 위해선 사용하는 모스펫 데이터시트에 나와있는 Vgs 최대값보다 작은 제너다이오드를 게이트와 소스 사이에 부착해야 한다. 이를 넘으면 모스펫이 소손될 수 있다.
또한 턴오프시 게이트에 저장된 전하가 방출되어 드레인과 소스간 연결을 끊어주기 위해 게이트와 gnd사이에 저항을 달아주어야 한다. 이를 적용한 회로는 아래와 같다.

N채널 모스펫은 특성상 Low-side에 위치하며 위 P채널 모스펫과 마찬가지로 제너다이오드와 저항을 연결해주어야 한다.
그렇다면 모스펫을 이용한 역극성 방지회로의 단점은 무엇일까?
로직레벨 모스펫이 아니라면 5V이하의 전압에 대해선 제대로 작동을 하지 못할 수 있고, Vds의 최대값을 넘을 수 없다. 또한 턴온시 모스펫 자체가 저항역할을 하여 부하전류가 커질수록 전압강하는 커지는 특성을 가진다.
주의할점은 이 회로는 역극성 방지회로이며 역전압 방지회로가 아니다. 즉 입력단의 역전압은 막을 수 있지만 출력단 역전압(입력전압<출력전압)은 보호할 수 없다. 이때는 P채널 모스펫과 pnp트랜지스터 2개로 이루어진 역전압 방지회로를 사용해야 한다.
역극성 보호회로 세번째 - 퓨즈

고장시 기기에 문제를 줄 수 있는 모스펫보다 신뢰성이 필요할때 사용하는 회로이다.
아주 간단한 회로이며 역극성연결시 전류가 다이오드를 통해 쇼트된 회로가 되어 큰 전류가 흐르게 된다. 이 때 대전류로 인해 퓨즈는 끊어지고 회로를 지킬수 있다. 퓨즈는 일반 사용전류의 2배정도로 장착하여 일반사용시 끊어지지 않게 해야한다.
보통은 1번째, 3번째 회로를 주로 사용하며, 전압강하에 민감한 회로에 대해선 2번째 회로를 사용한다. 주로 태양광발전모듈 사이에 사용한다.
'기타 > 구상' 카테고리의 다른 글
| 역전압 보호회로 (3) | 2020.01.16 |
|---|---|
| 배터리 저전압 및 과전압 차단회로 (5) | 2019.07.29 |
| ne555를 사용한 pwm 쿨러 속도 조절 회로 (0) | 2019.07.27 |
| 정전류 배터리 방전기 회로 (0) | 2019.07.22 |


